Behörden Objektschloss für höchste Beanspruchung
mit Klemmnuss
Empfohlen für Projekte im öffentlichen Bereich
Prüfschlüssel nach EN 12209
CE 3M500C3HC20 (mittlere Schutzwirkung Riegelgegenkraft 4KN)

Preis

44,02 €

inkl. MwSt. , zzgl. Versandkosten
Prüfe Verfügbarkeit...
Artikelnr.
102271916
Basiseinheit
ST (C62)
Preis pro
1 ST

BMH Einstemmschloss Meisterstück WC, links, Dorn 55, Rundstulp 24mm, Edelstahl

Schlüsselweite

EN 12209 Klasse 4
WC
rund
Edelstahl
links
1
BMH 0450 WC

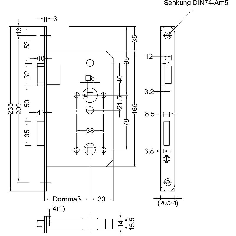
Entfernung

78 mm

Nuss

8 (WC-Nuss 8) mm

Kastenstärke

15,5 mm

Kastenhöhe

165 mm

Dornmaß

55 mm

Kastenbreite

88 mm

Stulpabmessung

235 x 24 x 3 mm

Tags

Einstemmschloss (nach DIN) Meisterstück WC